Àλ縻
¿À½Ã´Â ±æ
°æÃ¸
ÇÚµé
¼ÕÀâÀÌ
ij½ºÅÍ
Á¶ÀýÁÂ
¿î¹Ý±¸
ÈÙ¸¶½ºÅ¸
¸Å¹Ì°í¸®
Åä±ÛŬ·¥ÇÁ
±âŸÁÖ¹®Á¦ÀÛ
|
´ÙÀÌij½ºÆÃ°æÃ¸
|
ÄڳʰæÃ¸
|
|
Ȳµ¿&½ºÅÙÁÖÁ¶°æÃ¸
|
½ºÅÙ°æÃ¸
|
|
ö°æÃ¸
|
Á¶¹æ°æÃ¸
|
|
ºÐÀü¹ÝÇÚµé
|
¹ÐÆóÇüÇÚµé
|
|
ÇÚµåÈÙ&³ëºê
|
|
ÀϹݼÕÀâÀÌ
|
¸Å¸³¼ÕÀâÀÌ
|
|
¹Ú½º¼ÕÀâÀÌ
|
ÆÄÀÌÇÁ¼ÕÀâÀÌ
|
|
°æÇÏÁß
|
ÁßÇÏÁß
|
|
°íÇÏÁß¿ë
|
º´¿ø¿ë
|
|
½ºÅ×Àη¹½º
|
±âŸ
|
|
°æ·®Çü
|
°æ·®¹æÁøÇü
|
|
Áß·®Çü
|
Áß·®¹æÁøÇü
|
|
°íÇÏÁßÇü
|
±âŸ
|
|
ÇÃ¶ó½ºÆ½´ëÂ÷
|
ö´ëÂ÷
|
|
½ºÅÙ´ëÂ÷
|
¼Õ¼ö·¹
|
|
À¯¾Ð±â±â
|
·ÑÅ×À̳Ê
|
|
ÈÙ¸¶½ºÅ¸
|
ÇÁ·ÎÆÄÀÏ
|
|
ÇÁ·ÎÆÄÀϾǼ¼»ç¸®
|
|
¸Å¹Ì°í¸®
|
ÀÚ¼®
|
°É°í¸®
|
|
ijġ
|
¿Àµµ½Ã
|
Ä··Ï
|
|
·¡Ä¡Çü
|
¼öÁ÷Çü
|
¼öÆòÇü
|
|
Ǫ½¬/Æú
|
VARI
|
¿¡¾î
|
|
ÆÐÅ·
|
ÇÏÀ庼Ʈ
|
|
Äڳʲ©±â
|
Ư¼ö¹ÙÄû
|
|
¼î¹Ù
|
½ºÅ×ÀÌ
|
|
½½¶óÀ̵巹ÀÏ
|
HOME
Á¦Ç°¼Ò°³
Åä±ÛŬ·¥ÇÁ
¼öÁ÷Çü
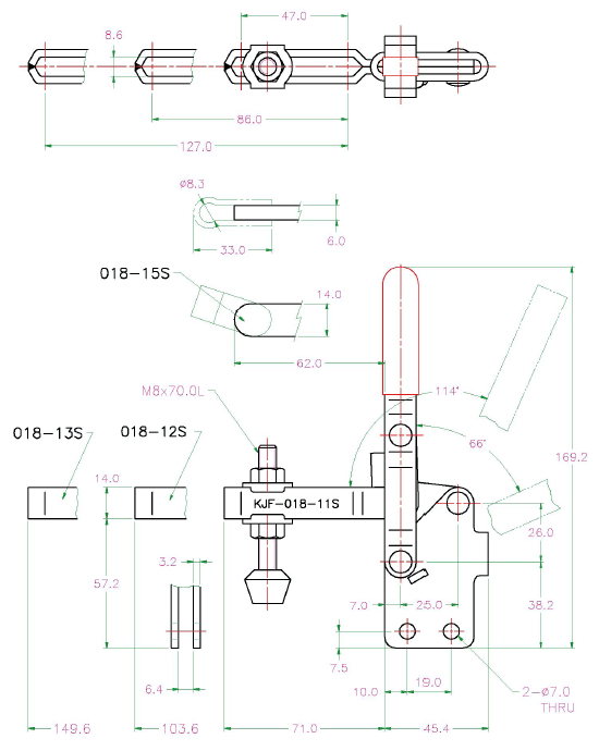
018-11,12,13,15S(ö)
·¡Ä¡Çü
(10)
¼öÁ÷Çü
(12)
¼öÆòÇü
(15)
Ǫ½¬/Ç®
(13)
VARI
(6)
¿¡¾î
(9)
ö
180KG
018-11S
PDF
2D VIEW
3D VIEW
018-12S
PDF
2D VIEW
3D VIEW
018-13S
PDF
2D VIEW
3D VIEW
018-15S
PDF
2D VIEW
3D VIEW
005-11F(ö,½ºÅÙ)
010-11,12F(ö)
KJF 010-11,12,13S
010-11,12A(ö)
018-11,12F(ö)
018-11,12,13,15S(ö)
018-11,12,13,15A(ö)
036-11,12F(ö)
045-11,12F(ö)
KJF 045-11,12S(ö)
KJF 055-11,12F(ö)
KJF 055-11,12S(ö)